2.4   Altera MAX7000系列器件

 

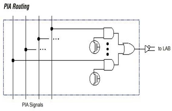
3、可编程连线阵列(PIA_Programmable Interconnect Array)              

        

                              PIA布线编程

 

 

4、 I/O控制块

         MAX 7000 E/S的I/O控制块

 

上一页  下一页  返回