备注
幻灯片放映
大纲
1
优化试验设计与数据分析
2
§3-1多指标问题的处理
3
 
4
 
5
一、综合评分法
  • 在对各个指标逐个测定后,按照由具体情况确定的原则,对各个指标综合评分,将多个指标综合为单指标。
  • 此方法关键在于评分的标准要合理。
  • 评分标准即权值,综合评分法也称加权评分法。


6
例3-1 白地雷核酸生产工艺的试验
    • 试验目的:原来生产中核酸的得率太低,成本太高,甚至造成亏损。试验目的是提高含量,寻找好的工艺条件。
    • 本例介绍由北京大学生物系与生产厂联合攻关中的第一批L9(34 )正交试验的情况。
7
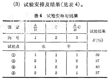
表3-2 试验方案及结果计算
8
 
9
"从图上和表上的极差..."
  • 从图上和表上的极差都可以看出,因素的主次为




  • 所以,A取A1,D取D1,PH值选取便于操作的水平C2,B取B3,故,最优条件为:A1B3C2D1
  • 事实上,试验结果也证明,上述最优条件效果很好。投产后核酸质量得到显著提高,做到了不经提纯一次可以入库。
10
正交设计助手极差分析
11
"极差分析"
  • 极差分析
12
 
13
二、综合平衡法
  • (1)对各个指标进行分析,与单指标的分析方法完全一样,找出各个指标的最优生产条件。
  • (2)将各个指标的最优生产条件综合平衡,找出兼顾每个指标都尽可能好的条件。
14
例3-2 液体葡萄糖生产工艺选取
    • 试验目的:生产中存在的主要问题是出率低,质量不稳定,经过问题分析,认为影响出率、质量的关键在于调粉、糖化这两个工段,决定将其它工段的条件固定,对调粉、糖化的工艺条件进行探索。

    • (1)出率:越高越好
    • (2)总还原糖:在32%-40%之间
    • (3)明度:比浊度越小越好,不得大于300mg/l
    • (4)色泽:比色度越小越好,不得大于20ml。
15
表3-3  葡萄糖生产工艺优选因素—水平表
16
"四个因素对四个指标的主次..."
  • 四个因素对四个指标的主次关系为:


    • 产量:    D——C——A ——B
    • 还原糖:B——D——A——C
    • 明度:    A——B——C——D
    • 色泽:    B——A——C——D


    • 分析顺序确定(B>A>D>C)
17
"综合考察四个指标,还原糖含量..."
  • 综合考察四个指标,还原糖含量要求在32-40%之间,从趋势及因素主次知道B的影响最重要,取1.5和2.5都不行,只有选2.0最合适。B取B2最好。
    • 从色泽来看,B最重要,而且仍然以B2最好;
    • 从明度来看,B为次要因素,但也仍以B2为好;
    • 因此可确定B2是最优水平。

  • 粉浆浓度A对产量影响很大,取A1最好。但对于明度来说,取A1时大于300不合适,浓度A2时比A1略低一些,但其它指标,除色泽外,都能达到要求。因此粉浆浓度定位A2。
18
"工作压力对产量影响最大,取..."
  • 工作压力对产量影响最大,取D3最好。但它的色泽不好,用2.7产量会低一些,但其余指标都还比较好,因此确定为D2。


  • 稳压时间对四个指标来说,对产量影响最大,对还原糖没有什么影响,对明度、色泽影响也不大,照顾产量应选C2=5分钟。但此时色泽、明度都不好,考虑将时间延长一些,定为5~7分钟。
  • 最后得出最优条件为:A2 B2 C2 D2


  • 事实上,结果证明采用后各项指标都有明显提高。
19
试验方案及结果计算表-1
20
 
21
试验方案及结果计算表-2
22
 
23
试验方案及结果计算表-3
24
 
25
试验方案及结果计算表-4
26
 
27
镍铁合金电镀(应用举例)
  • 低盐浓度光亮镍铁合金镀液配方因素—水平表,
  • 实验以电沉积速度和合金光亮度为指标。


28
"配方的添加剂参数"
  • 配方的添加剂参数
    • 氯化钠:    20~25g/l
    • 柠檬酸钠:  3~4gl
    • 糖精钠:   3g/l
    • “791”光亮剂:  4~6g/l
    • 十二烷基苯磺酸钠: 0.05~0.1g/l
    • 柠檬酸:适量
  • 电沉积工艺
    • 阳极面积(Ni∶Fe): 4∶1
    • 阴极与阳极面积比:Cu∶Fe∶Ni为1∶2∶8
    • 温度:50~55℃
    • 时间:50min
29
"根据正交设计法:对配方选取..."
  • 根据正交设计法:对配方选取六因素五水平的正交试验表,实验以电沉积速度和合金镀层光亮度为指标。
  • Ni—Fe合金镀层的外观采用目测评分方法来检测,其标准定为:
  • 灰黑(黑点)4-发灰(麻点)5-不光亮(针孔)6-较光亮7-光亮8-准镜面9-镜面10
30
 
31
 
32
"从上述正交实验的结果..."
  • 从上述正交实验的结果可得出六个因素对两个指标的主次关系为:
    • (1)镀速:EACDFB
    • (2)光亮度:AC(BDF)E
    • 分析顺序:A>E>C>D>F>B
33
"电沉积的最佳工艺水平:"
  • 电沉积的最佳工艺水平:
    • 镀速:E5A5C4D2F5B4
    • 光亮度:A4C5(B4D2F2)E4
  • 分析顺序:A>E>C>D>F>B
  • 综合两个指标后,得出最佳工艺水平为:
    • A4B4C4D2E5F4
    • A4B4C4D2E5F5亦可
34
"确定电沉积光亮镍铁合金..."
  • 确定电沉积光亮镍铁合金的最佳配方及工艺条件为:
    • 硫酸镍:NiSO4·7H2O: 25g/l
    • 硫酸亚铁:FeSO4·7H2O:  3-5g/l
    • 硼酸: H3BO3: 9g/l
    • 温度:50℃
    • PH值:3.8~4.2
    • 电流密度:3.5A/dm2
35
 
36
 
37
 
38
 
39
 
40
 
41
三、排队打分法
  • 根据试验结果,综合全部指标,按效果好坏,进行排队打分
  • 对综合评分进行直观分析
  • 缺点:分数平均分布,会影响指标主次关系
42
 
43
§3-2 水平数不同的正交表的使用
44
 
45
一、直接套用混和正交表
  • 例3-3 为了探索某胶压板的制造工艺,因素—水平如下表


46
表3-9  胶压板的制造工艺试验方案及结果
47
试验方案及计算结果表(续表)
48
混合正交表的极差分析
  • 当两因素对指标有同等影响时,水平多的因素极差应大一些:折算系数
49
 
50
 
51
混合正交表的方差分析
52
 
53
 
54
 
55
 
56
 
57
二、并列法
  • 对于有混和水平的问题,除了直接应用混和水平的正交表外,还可以将原来已知正交表加以适当的改造,得到新的混和水平的正交表。
  • L8(4×24)表就是由L8(27)改造而来
58
 
59
"并列法步骤"
  • 并列法步骤:
    • (1)从L8(27) 中任意选两列,横行组成的8个有序数对,每种搭配用一个数字来表示
    • (2)将交互作用列去除,选中的两列成具有4水平的新列,3列合并成新的4水平列
60
"新表L8(4×24)仍然是正交表,具有..."
  • 新表L8(4×24)仍然是正交表,具有均衡分散、整齐可比的性质。
    • 任一列中各水平出现的次数相同(四水平列各水平出现二次,二水平列各水平出现四次)。
    • 任意两列中各横行的有序数对出现的次数相同(对于两个二水平列显然满足;对一列四水平,一列二水平,它们各横行的八种不同搭配(1,1) 、(1,2) 、(2,1) 、(2,2) 、(3,1) 、(3,2) 、(4,1) 、(4,2) 各出现一次。
61
"取 任两列(例取1..."
  • 取 任两列(例取1,2列),删去所取两例的交互作用列(第3列)就可得 。可方便记为:
    • 1、2、(3) → 新1
  • 它表示新的第1列是由 的第1,2列改得的,同时删去了交互作用列。同样地:
    • 4、8(12) → 新2
    • 5、10(15) → 新3
    • 7、9(14) → 新4
    • 6、11(13) → 新5
62
表3-13 并列法改造表
63
三、拟水平法
  • 在正交设计中,某个或某几个试验因素的水平个数是自然形成的,只有确定的个数,不能随意选取水平数,或有的因素由于受某种条件的限制,不能多取水平,而又没有现成的混合型正交表可用,这时可采用拟水平设计法。
  • 它是把水平少的因素虚拟一个或几个水平,使之与正交表相应列的水平数相等,这种虚拟水平称为拟水平,其设计方法就称为拟水平法。


64
拟水平实例
  • 在高效液相色谱法测定食品中胡萝卜素的研究中,欲通过正交试验选择柱层析法净化条件,试验指标为胡萝卜素回收率,不考虑交互作用,试验因素水平表如下。
65
(1)拟水平试验方案设计
  • A、C均为三水平,而因素B由于受试验条件的限制,只能取二水平。
  • 选L18(2*37)表安排试验,但试验次数太多。
  • 若B取三水平,就可直接用L9(34)表安排试验。选取重点要考察的那个水平进行虚拟另一水平。
66
(2)拟水平试验结果分析
  • 拟水平法的极差分析方法与一般正交试验的极差分析方法基本相同。所不同的是,计算拟水平的那个因素的K值和极差R时,应与其他因素有所区别。对本例,9次试验B1重复了三次,B2重复了六次。
  • 拟水平法的方差分析步骤与一般正交试验的方差分析基本相同;主要区别在于拟水平列的偏差平方和及自由度的计算。
67
拟水平法极差分析
68
拟水平法方差分析
69
 
70
"方差分析结果"
  • 方差分析结果:
    • 因素C显著,因素A、B不显著,因素主次顺序为C-A-B。最优组合为A1B1C3。
  • 采用拟水平法时,所拟因素和水平一般以不超过两个为宜。
  • 拟水平列自由度小于所在正交表该列自由度
71
四、混和水平有交互作用的正交设计
  • 例3-4  聚氨酯合成橡胶的试验中,要考察A、B、C、D对抗张强度的影响,其中因素A取4水平,因素B、C、D均取二水平,还需要考察交互作用A×B、A×C。


72
"这是41×23因素的试验设计"
  • 这是41×23因素的试验设计
  • 自由度计算如下:
    • fA=4-1=3
    • fB= fC= fD=2-1=1
    • fA×B= fA×C=(4-1)×(2-1)=3
    • f总=3+3×1+2×3=12
  • 可以选用L16 (41 × 212)混和正交表
73
"(1)将L16(215)中的第..."
  • (1)将L16(215)中的第1、2、3列改造为四水平列,得到L16(41×212)表;
  • (2)将A占1、2、3列,如果B放第4列,则由交互作用表知:1,4à5;2,4à6;3,4à7。于是A×B要占5、6、7三列;
  • (3)将C排在第8列,可以查得: 1,8à9;2,8à10;3,8à11。于是A×C要占9、10、11三列;
  • (4)D可以安排在剩余的任何一列,假如放在第12列。
74
"表头设计如下"
  • 表头设计如下:
75
L16(215)两列间交互列
76
 
77
§3-3 活动水平与组合因素法
  • 一、活动水平法
    • 在多因素试验中,有时两因素和多因素直接存在着相互依存的关系。即一个因素的水平的选取将由另一因素的水平来决定,或者一因素水平的选取将随着另一因素水平的选取情况而变化,此时可采用活动水平法
78
考查因素较多的科学实验
79
 
80
 
81
 
82
"结果表明二者均选取低水平..."
  • 结果表明二者均选取低水平为好, 不仅指标最高, 而且可节省药剂用量。
  • 有经验的一般事先知道黄药和氰化物用量之间的搭配关系是同时取高水平或同时取低水平, 而一高一低的搭配关系就明显不合理。此时可采用活动水平法消除这种不合理的试验条件。
83
 
84
镀银工艺试验
85
 
86
表3-21 活动水平设计氯化钾用量因素水平
87
表3-22活动水平设计中电流密度因素水平表
88
表3-23 活动水平设计试验方案表
89
表3-24  活动水平表优化结果计算表
90
"分析顺序"
  • 分析顺序



  • A1D1C1,A1和C1直接取
  • D1为“小”,D受E影响,E不重要,考虑“温度E”高时效率高,E取E2,E2时“小”为“5A”。
  • B节约取B1,B受A影响,A1时B1为“250g/l”
91
 
92
二、组合因素法
  • 在用正交试验设计安排试验时,减少试验次数的有效方法就是把两个或两个以上的因素组合起来当作一因素看待。组合成的因素叫组合因素,采用组合因素法时,安排试验和试验结果分析的方法和一般正交试验相同。
  • 也称为并因子法
93
组合因素法-例1
94
 
95
"某锑矿浮选分离试验"
  • 某锑矿浮选分离试验, 需考查捕收剂用量、抑制剂用量、活化剂用量、搅拌强度、搅拌浓度、搅拌时间等6个因素。


  • 首先用一张L9表安排试验, 找到前三种药剂的用量配比关系, 然后将三种药剂用量配比做为一个因子与后三个因子再用一张L9表安排试验, 结果能迅速找到分离的最佳试验条件。
96
组合因素法-例2
97
§3-4 分割试验法
  • 分割试验法又称为裂区法
  • 基本思想:
    • 在比较复杂的试验中,要经过好几道工序才能得出结果,这些工序重复起来难易不等。
    • 为了对这类试验进行设计,我们可以既按照工序的先后,又按照工序重复的难易成度,把因素区分为一级因素、二级因素、三级因素等。
    • 安排试验时,尽可能使重复困难的工序少做试验,而让重复容易的工序多做些试验。
98
"例3-8 人造丝制造工艺..."
  • 例3-8 人造丝制造工艺大致由原液工序、加工工序二部分组成。为了提高人造丝的强度进行工业试验。


  • 一级因素:A、B、C 原液工序
  • 二级因素:D、E   加工工序
99
"把A安排在第1列,B..."
  • 把A安排在第1列,B安排在第2列,C在第4列
    • 1:A1B1C1D1E1
    • 2:A1B1C2D2E2
    • 3:A1B2C1D2E2
    • 4:A1B2C2D1E1
    • 5:A2B1C1D1E1
    • 6:A2B1C2D2E1
    • 7:A2B2C1D2E1
    • 8:A2B2C2D1E2

100
"A、B、C分别在1..."
  • A、B、C分别在1、2、3列
    • 1:A1B1C1D1E1
    • 2:A1B1C1D2E2
    • 3:A1B2C2D2E2
    • 4:A1B2C2D1E1
    • 5:A2B1C2D1E1
    • 6:A2B1C2D2E1
    • 7:A2B2C1D2E1
    • 8:A2B2C1D1E2

101
"第1、2列的水平号从..."
  • 第1、2列的水平号从上往下是成对的出现。我们把因素A、B、C分别配置在1、2、3列上。剩下的配D、E,如6、7列。
102
"例3-10"
  • 例3-10
  • 有A、B、C、D四个因素,每个都有两个水平,A、B是一级因素,它们没有交互作用,试验如何安排?



103
表3-26正交分割试验
104
表3-27正交分割试验方差分析表
105
"例3-11 设有"
  • 例3-11 设有A 、B 、C 、D 、E 、F六个因素,其中A×B、A×D、B×D存在交互作用。
  •                A:一级因素
  •                B、C:二级因素
  •                D、E、F:三级因素
  •                f总=6×(2-1)+3(2-1)(2-1)=9
  • 选用L16 (215 )来安排试验。
106
 
107
 
108
表3-29正交分割试验方差分析表
109
例子
  • eg: 正交分割试验优选精乌胶囊中何首乌游离蒽醌提取工艺
    • 精乌胶囊是在黄精首乌量效组合研究的基础上组方的中药有效部位制剂,实验研究表明方中有效部位多糖、游离蒽醌有较好的抗高血脂、抗脂质过氧化的作用
    • 将提取工艺中提取蒽醌类成分的试验分成两道工序:
      • 工序Ⅰ加醇提取总蒽醌;
      • 工序Ⅱ加混合溶剂提取游离蒽醌
110
 
111
"正交分割试验步骤"
  • 正交分割试验步骤:
  • (1)把因素分为一级、二级……等。
  • (2)选择适当正交表,把一级因素安排在第一组(或一、二组),二级因素安排在后面一组,依次类推,不同级的因素不可在同组。
  • (3)有些交互作用不可忽略,设计时要注意不要让它和因素混杂。
  • 分割法交互作用规律:
  • (1)如果两个因素在不同组,则交互作用一定在两因素中的较高的一组
  • (2)属于同一组的二因素的交互作用,其全部和一部分落在比它低的组中。
112
3-5 部分追加法
  • 在完成一组正交试验设计的试验和分析之后,对某一显著因素的新水平感兴趣,或某因素希望增加水平数,则需要对新水平进行试验。


  • 作用:可以单独增加某因子的水平数
  • 优点:不需要改造正交表
  • 缺点:分析试验结果复杂
113
部分追加法极差分析
  • 氯丁胶正交试验(北京大学,1976)
    • 寻求降低氯丁胶生产配方,对影响门尼黏度的7个因子进行试验,要求门尼黏度越大越好。
114
 
115
"极差分析"
  • 极差分析:
    • k1A=305.6/8
    • k2A=190.0/4
    • k3A=226.4/4

116
"主次关系"
  • 主次关系:
    • A>D>B>F>E>C>G
    • 最优:A3D2B2F1E2C2G1
    • 最优生产方案:
117
部分追加法方差分析
  • 某试验中,因素A为五水平,B、C、D为两水平。A的1~4四个水平采用本章第二节的方法安排在内(1)~(3)列组成的四水平新列内,A5则将4水平再重复两次,即第9、10两次试验,这样就完成了部分追加法试验设计。
118
 
119
 
120
混合正交表的方差分析
121
"把10次试验设想成16..."
  • 把10次试验设想成16次试验
  • (1) 平方和计算
    • SA=1/4(A12+A22+A32)+1/2(A42+A52)-K2/16
    • SB=1/16(B1-B2)2
    • SC=1/16(C1-C2)2
    • SD=1/16(D1-D2)2
    • ST=2(x12+x22+x32+x42+x52+x62)+x72+x82+x92+x102-K2/16
    • Se=ST-(SA+SB+SC+SD)
122
"计算中采用了16个数据,仅..."
  • 计算中采用了16个数据,仅进行了10次试验,并不是16次独立试验的结果,由此计算出的各因素及误差的平方和,不是真正的因素及误差平方和,必须加以修正。
  • 修正方式:乘以一个适当的修正系数
123
"(2)修正系数k的..."
  • (2)修正系数k的计算


  • 而误差平方和修正系数按下式计算:




  • 式中N——选用的正交表试验次数;
  •     P——正交表中安排的水平数;
  •     P’——追加实验安排的水平数;
  •     M——实际完成的试验次数。