
例4-l 电路如图4-2所示。(l)已知I5=1A,求各支路电流和电压源电压US。(2)若已知 US=120V,再求各支路电流。

解:(l)用2b方程,由后向前推算:

(2)当US=120V时,它是原来电压80V的1.5倍,根据线性电路齐次性可以断言,该电路中各电 压和电流均增加到1.5倍,即

例4-7 求图中单口网络的戴维宁等效电路。

解
的参考方向如图 (b)
所示。由于单口网络负载开路后 I=0, 使得受控电流源的电 流 3I=0,相当于开路,用分压公式可求得
为
![]()
为求Ro,将 18V 独立电压源用短路代替,保留受控源,在a,b端口外加电流源 I,得到图 (c)电路。通过计算端口电压 U 的表达式可求得电阻 Ro:

该单口的戴维宁等效电路如图(d)所示。
例4-13 求图所示单口网络的诺顿等效电路。

解:为求isc,将单口网络从外部短路,并标明短路电流isc的参考方向,如图(a)所示。由 KCL 和 VCR 求得


为求Ro,将单口内电压源用短路代替,电流源用开路代替,得到图(b)电路,由此求得

根据所设isc的参考方向,画出诺顿等效电路,如图(c)所示。若计算isc所采用的参考方向 改为由 b到 a,则诺顿等效电路中电流源电流的参考方向相应改为由 a到b 。
例4-18 求图中单口网络向外传输的最大功率。( r = 3 欧 )

解
为求
,按图 (b)
所示网孔电流的参考方向,列出网孔方程:

整理得到:
![]()
解得:

为求
,按图
(c) 所示网孔电流的参考方向,列出网孔方程:

整理得到:

解得 ![]()
为求 Ro, 用“含源线性电阻单口网络”方程组求得

得到单口网络的戴维宁等效电路,如图 (d) 所示。求得最大功率:
或 
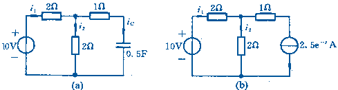
例4-20
图(a)电路中,已知电容电流
,用替代定理求
和
。

解:图(a)电路中包含一个电容,它不是一个电阻电路。电流为
的电流源 替代电容,得到图(b)所示线性电阻电路,用叠加定理求得:
